Interakční hala

Interakční komory

Dvojitá interakční komora PALSu tvoří jeden technický celek, její části však mohou být použity samostatně a mohou v nich být prováděny vzájemně nezávislé experimenty. Obě části komory jsou koncipovány s ohledem na nejrůznější současné i budoucí experimenty s výkonovými laserovými svazky a s laserovým plazmatem.

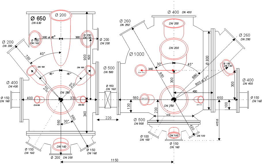
Hlavní komora (vlevo) je tvořena vakuovou kulovou sekcí z nerezové oceli o průměru 100 cm, vybavenou 80-cm eliptickým víkem, které slouží jako hlavní vstupní dveře. Víko je opatřeno pneumatickými uzamykacími mechanismy, které zajišťují jednak rychlý přístup do vnitřku komory po jejím napuštění, jednak vakuovou těsnost při jejím vyčerpávání. Další vstup do komory o průměru 50-cm, opatřený rovněž vakuovým závěsným víkem, je umístěn naproti vstupního okna pro hlavní laserový svazek. Pro účely diagnostiky a justáže je na komoře dále k dispozici celkem 15 dalších vstupů s přírubami o průměru od 64 mm do 500 mm.

Pomocná terčová komora (vpravo) je válec z nerezové oceli o průměru 65 cm a délce 124 cm. Obdobně jako hlavní komora je i tato část opatřena závěsnými dveřmi s pneumatickými zámky. Pomocná komora může být vakuově propojena s hlavní komorou, nebo může být provozována nezávisle. Pomocí vakuových vlnovců a nástavných potrubí je možno měnit vzdálenost spojených komor v rozmezí od 95 cm až do několika metrů. Změna vzdálenosti komor je ulehčena systémem vodících kolejí, zapuštěných do podlahy interakční haly. Vedle vstupního okna pro laserový svazek a hlavního čerpacího hrdla je na pomocné komoře dalších 18 menších přírub, umožňujících připojení nejrůznějších měřicích zařízení.

V obou komorách jsou interní fokusační optika, mikrometrické posuvné stolky nesoucí terčík, jakož i veškerá další optická zařízení montována na optických lavicích, jež jsou připevněny přímo k podlaze haly a od stěn komory mechanicky odděleny speciálním vlnovcovým systémem. Tím je zajištěna dokonalá stabilita vnitřních optických systémů obou komor, neboť deformace pláště komory při jejím napouštění a čerpání se na optické lavice nemohou přenést.

Terčové komory včetně vnitřního mechanického vybavení byly zkonstruovány Jean Claude Lagronem a Miroslavem Hudečkem.

Schematické grafické zobrazení terčových komor

Celkový obrázek terčových komor PALSu, s hlavní komorou vpravo a pomocnou komorou vlevo. Laserové svazky jsou znázorněny červeně. Závěsy velkých vstupních vakuových dveří jsou vynechány.
Vnitřní optické lavice jsou mechanicky odděleny od stěn komory tenkými membránovými vlnovci.
Pohled na komory shora, s vyznačenými polohami ohnisek zaváděných laserových svazků.
Vnitřní uspořádání komor – pohled zepředu.
Pohled ze strany vstupních oken pro laserové svazky, s pomocnou válcovou komorou vpředu.
Pohled ve směru vstupních laserových svazků.
Terčové komory zepředu, pohled šikmo zdola.